艾德默阀门
风机盘管温控器安装布线应注意事项-艾德默阀门
返回列表 来源: 发布日期: 2025.09.25

在暖通及制冷系统的调控中,风机盘管温控器扮演着至关重要的角色。它不仅关乎室内温度的准确控制,更直接影响到系统的能效与用户的舒适度。艾德默阀门厂家,特此为您揭秘其明星产品 ——AWCP-07系列液晶温控器的安装布线注意事项,助您轻松掌握温控新技能。

风机盘管温控器安装布线应注意事项-艾德默阀门

AWCP-07系列液晶温控器,专为暖通空调系统设计,能够灵活控制二通或三通阀门,以及多级风速风机。其核心功能在于实时显示并调节室内温度,确保环境始终处于适宜状态。该系列温控器以其优越的性能和人性化的设计,广泛应用于各类暖通空调末端阀门执行器的连接,成为市场上的热门选择。

风机盘管温控器安装布线应注意事项-艾德默阀门

产品亮点纷呈,首先映入眼帘的是其大液晶显示屏,LED尺寸占据面板超80%,环境状态一目了然,操作更加直观便捷。 EEPROM数据存储技术的运用,让用户设定在掉电情况下也能长久保存,无需重复设置。外置传感器的设计,则是对简单AHU应用和酒店应用等场景的重大革新,兼顾了舒适与环保,实现了节能的平衡。触屏按键的加入,更是让用户可以轻松设定工作模式、温度值及风速,操作体验升级。

风机盘管温控器安装布线应注意事项-艾德默阀门

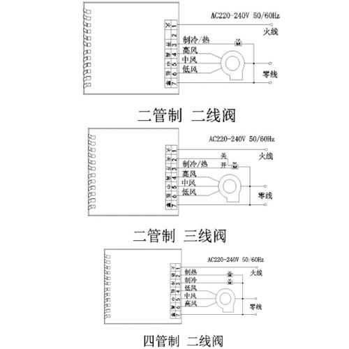
在安装布线方面,AWCP-07系列同样表现突出。它支持三线制、二线制及四管制电动阀门及风机盘管的灵活接线,满足不同系统的需求。安装过程简单明了,只需按照示意图逐步操作:从拆开主控板、取下排线,到按接线图正确接线,再到固定底板、挂上挂钩并卡住上壳,每一步都清晰易懂,即便是非专业人士也能轻松上手。

风机盘管温控器安装布线应注意事项-艾德默阀门

此外,AWCP-07系列温控器还具备优越的产品参数,如220VAC±10% 的宽电压适应范围、0-50℃的显示范围、10-40℃的设定范围,以及±1 ℃的高控制精度,确保了温控的准确性和稳定性。ABS+PC阻燃外壳材质,更是为产品的安全使用提供了坚实保障。

风机盘管温控器安装布线应注意事项-艾德默阀门

选择艾德默AWCP-07系列液晶温控器,就是选择了节能、舒适的温控解决方案。无论是家庭住宅、商业办公还是酒店宾馆,它都能以优越的性能和便捷的操作,为您打造一个理想的温控环境。

最新推荐产品

艾德默AFZ系列电动座阀

艾德默AFZ系列电动座阀

艾德默AFZ系列电动座阀,为控制商业和住宅项目制热、制冷及空调所设计,AFZ系列电动座阀包括了DN15至DN150之间的所有型号,通过配备开关型和调节型执行器,可以实现不同的控制模式。典型应用:暖通制冷系统中热水、冷冻水和冷却水的通断和流量调节控制。
艾德默AFD系列电动蝶阀

艾德默AFD系列电动蝶阀

艾德默AFD系列电动蝶阀,采用角行程执行机构,控制方式有三态浮点控制、连续比例控制、智能通讯控制等,其阀门主要结构由阀体、蝶板、阀座、阀杆及传动操作机构等零件组成。产品外形美观,制作精良,安装方便,设置手动操作柄及释放钮,可十分方便的进行手动操作。产品被广泛应用于流体自动控制系统中。
艾德默AFQ系列电动球阀

艾德默AFQ系列电动球阀

艾德默AFQ系列电动球阀,应用于空调末端水路的调节与控制。用于商业楼宇、公共建筑的暖通空调水系统中,可以实现调节量或开关量控制。AFQ系列电动球阀包括了DN25至DN150之间的所有型号。通过配备开关型和调节型执行器,可以实现不同的控制模式。
艾德默AFPD系列电动二通阀

艾德默AFPD系列电动二通阀

艾德默AFPD系列电动二通阀,用于控制中央空调系统、采暖系统管道的开启或关闭,达到控制室温之目的。当需要工作时,由温控器提供一个阀开信号,使驱动器连通交流电源而动作,开启阀门,冷水或热水进入风机盘管,为房间提供冷气或暖气;当室温达到温控器设定值时,温控器切断阀开电流,复位弹簧使阀门关闭,从而截断进入风机盘管的水流。

咨询热线

400-0731-991