艾德默阀门
风机盘管到温控器几根线-艾德默阀门
返回列表 来源: 发布日期: 2025.09.25

在暖通空调系统中,风机盘管与温控器的配合是调节室内温度的关键。然而,对于非专业人士而言,风机盘管到温控器究竟需要几根线,往往是一头雾水。今天,艾德默阀门厂家就以AWCP-07系列液晶温控器为例,为您揭开这一谜团,并带您深入了解这款能的温控产品。

风机盘管到温控器几根线-艾德默阀门

AWCP-07系列液晶温控器,作为暖通及制冷系统中的智能控制中枢,不仅能够准确控制二通或三通阀门,还能调节多级风速风机,实现对室内温度的实时显示与准确调控。无论是连接开启/关闭暖通空调末端阀门执行器,还是在酒店、简单 AHU等应用场景中,AWCP-07都能游刃有余,为用户带来舒适体验。

风机盘管到温控器几根线-艾德默阀门

该产品的一大亮点在于其大液晶显示屏,LED显示区域占据面板80%以上,信息展示清晰直观,让用户一目了然。同时,内置 EEPROM数据存储功能,确保在掉电情况下用户设定不丢失,重新上电即可恢复原有设置,大大提升了使用的便捷性。

风机盘管到温控器几根线-艾德默阀门

针对不同应用场景,AWCP-07支持外置传感器,这一设计在简单AHU和酒店应用中尤为突出,它兼顾了舒适与环保,实现了节能的平衡。触屏按键的加入,更是让操作变得简单快捷,用户只需轻触屏幕,即可轻松设定工作模式、温度值和风速,享受科技带来的便捷生活。

风机盘管到温控器几根线-艾德默阀门

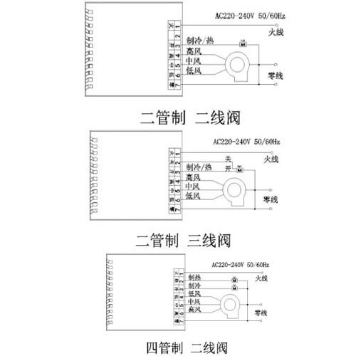
在接线方面,AWCP-07系列液晶温控器提供了灵活多样的选择,无论是三线制电动阀门及风机盘管、二线制电动阀门及风机盘管,还是四管制电动阀门及风机盘管,都能轻松应对。详细的安装示意图和步骤说明,让即使是初次接触的用户也能快速上手,完成安装。从拆开主控板到固定温控器底板,再到挂上挂钩完成安装,每一步都设计得既安全又简便。

风机盘管到温控器几根线-艾德默阀门

艾德默阀门厂家始终致力于为用户提供高品质、高性能的温控产品。AWCP-07系列液晶温控器,以其优越的性能、丰富的功能和便捷的操作,成为了暖通空调系统中的理想选择。如果您还在为风机盘管与温控器的接线问题而烦恼,不妨选择艾德默AWCP-07 ,让专业与智能为您的生活添彩。

最新推荐产品

艾德默AFZ系列电动座阀

艾德默AFZ系列电动座阀

艾德默AFZ系列电动座阀,为控制商业和住宅项目制热、制冷及空调所设计,AFZ系列电动座阀包括了DN15至DN150之间的所有型号,通过配备开关型和调节型执行器,可以实现不同的控制模式。典型应用:暖通制冷系统中热水、冷冻水和冷却水的通断和流量调节控制。
艾德默AFD系列电动蝶阀

艾德默AFD系列电动蝶阀

艾德默AFD系列电动蝶阀,采用角行程执行机构,控制方式有三态浮点控制、连续比例控制、智能通讯控制等,其阀门主要结构由阀体、蝶板、阀座、阀杆及传动操作机构等零件组成。产品外形美观,制作精良,安装方便,设置手动操作柄及释放钮,可十分方便的进行手动操作。产品被广泛应用于流体自动控制系统中。
艾德默AFQ系列电动球阀

艾德默AFQ系列电动球阀

艾德默AFQ系列电动球阀,应用于空调末端水路的调节与控制。用于商业楼宇、公共建筑的暖通空调水系统中,可以实现调节量或开关量控制。AFQ系列电动球阀包括了DN25至DN150之间的所有型号。通过配备开关型和调节型执行器,可以实现不同的控制模式。
艾德默AFPD系列电动二通阀

艾德默AFPD系列电动二通阀

艾德默AFPD系列电动二通阀,用于控制中央空调系统、采暖系统管道的开启或关闭,达到控制室温之目的。当需要工作时,由温控器提供一个阀开信号,使驱动器连通交流电源而动作,开启阀门,冷水或热水进入风机盘管,为房间提供冷气或暖气;当室温达到温控器设定值时,温控器切断阀开电流,复位弹簧使阀门关闭,从而截断进入风机盘管的水流。

咨询热线

400-0731-991